
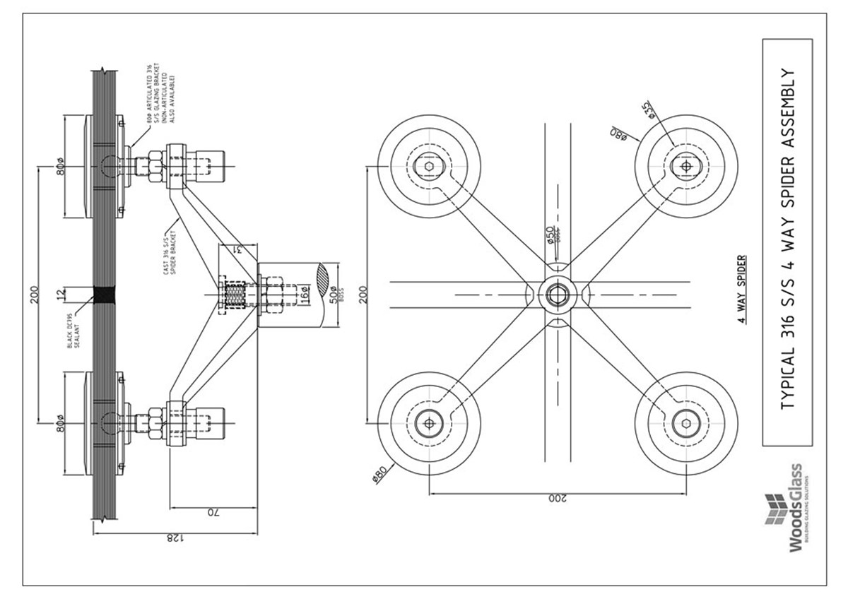
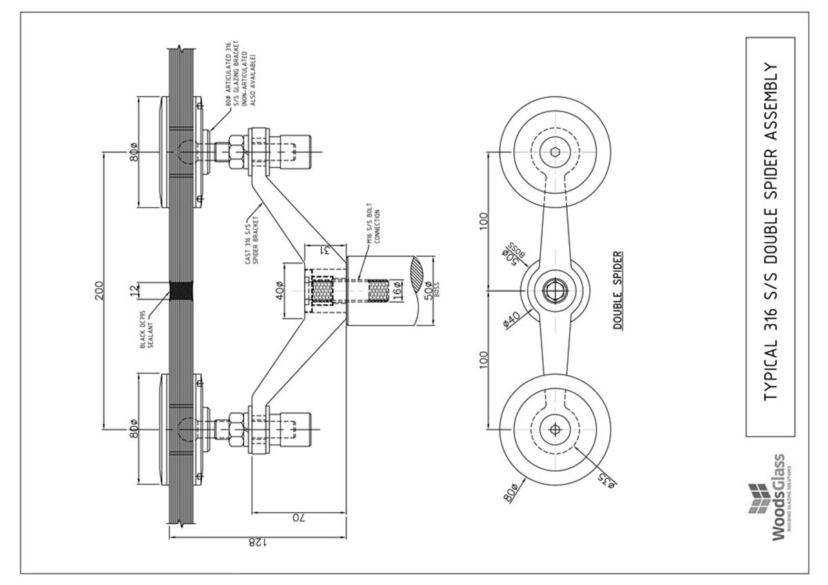
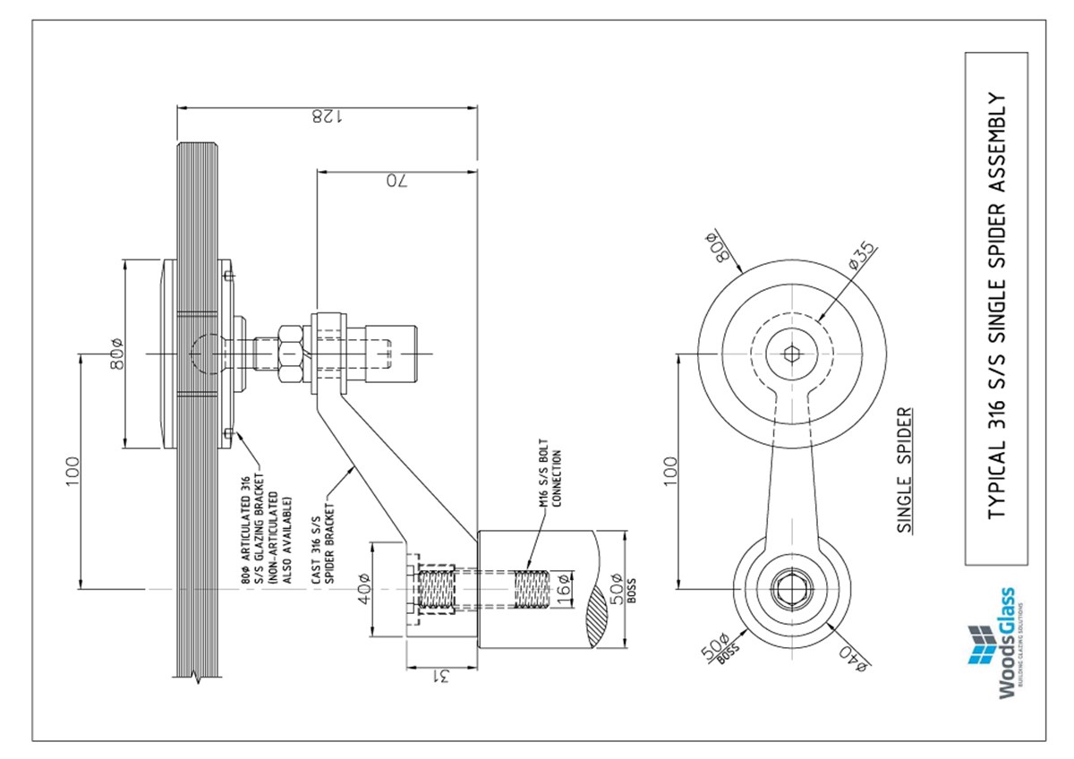
Spider Fittings structural glass assemblies have high impact visually but as they are always specific design solutions do require significant engineering consideration and must still provide a high level of weathering despite contingency in the detailing.
As structural glass assemblies do not have the benefit of movement joints or seismic receivers like a conventional aluminum framed curtainwall, special consideration must be given to building movement, live load deflections and environment loads such as wind and seismic.