Spider or Patch Fittings

Product Description

Spider or Patch Fittings structural glass assemblies are specific design solutions that require significant engineering consideration and must provide a high level of weathering despite contingency in the detailing.

Thermosash, in partnership with Woods Glass, are the specialists in engineered structural glass assemblies and have completed some of the most iconic installations in New Zealand. Woods Glass utilise their extensive experience in sourcing proprietary fittings and often high performance over sized glass, whilst Thermosash undertake the structural engineering and manufacturing - developing specifically customised solutions for each project.

Spider or Patch Fitting assemblies can be large or small - from a trophy cabinet to a 100% glass commercial structure - the use of no mechanical fittings is possible.

Engineering

As structural glass assemblies do not have the benefit of movement joints or seismic receivers like a conventional aluminum framed curtainwall, special consideration must be given to building movement, live load deflections and environment loads such as wind and seismic.

As these types of assemblies are often installed in areas of high-density people movement, i.e. emergency egress pathways where human safety is paramount, it is imperative that they are engineered accordingly and that the glass specified is appropriate for overhead situations.

Our in-house glass engineers are capable of helping design and engineer a solution for you and can provide Producer Statements 1 (Design), 2 (Design Review), 3 (Construction) & 4 (Construction Review) as required for client and or council compliance.

Performance / Testing

  • AS/NZS1170 (Structural Design Actions)
  • NZS4223 (Glazing in Buildings)
  • NZS/AS4284:2008 (Water / Air Pressure/ Air Leakage - Meets and exceeds minimum requirements)

Maximum Spanning Ability

The spanning ability will vary depending on the structural system and environmental loads (e.g. wind).  Thermosash specifically engineers the best suite options to meet project requirements.

Thermosash Suites are recognized as having the largest spanning systems on the market due to our specific engineering capability and the customised nature of the work we complete.

Warranty

The standard warranty is 10 years from the date of practical completion. This covers workmanship and weather tightness, providing the subcontract includes fabrication, installation and glazing of all components, and the maintenance schedule is adhered to.

Maintenance

Maintaining glass, metals and stone are all particular to the environment that they are placed in e.g. marine, environmental pollution, exposure to natural washing, etc.

It is recommended by almost all material suppliers that building washing should occur every 3-6 months to prevent staining to glass and prevent environmental pollutants from corroding metals and to maintain the material warranties.

A full maintenance manual is provided on completion of a project for all the elements integrated within a project. Compliance to a maintenance schedule is essential to maintaining the quality of the installed product over time. Using Thermosash-approved facade maintenance contractor/personnel ensures the highest standards are met.

Read more Read less

Key Features

  • An extremely flexible design medium - your concept can be realised in glass.
  • From frameless entrances to entire fitting-free glass structures, to museum display cases.
  • Thermosash offer the full service of consulting, engineering, procurement of special glass or fittings, manufacturing and installation.

Brochures

Thermosash Total Vision Structural Glass

2024

Specification

These projects are always bespoke and often complex. We suggest we review your concept early in development to assist in material selection and engineering constraints. Please contact us to discuss your project.

CAD Downloads

One Arm Fin Spider Assembly

Download files

Two Arm Fin Spider Assembly

Download files

Four Arm Fin Spider Assembly

Download files

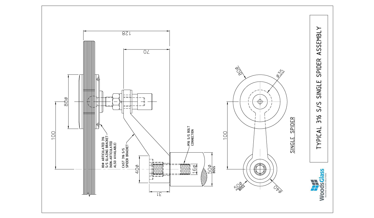
One Arm Node Spider Assembly

Download files

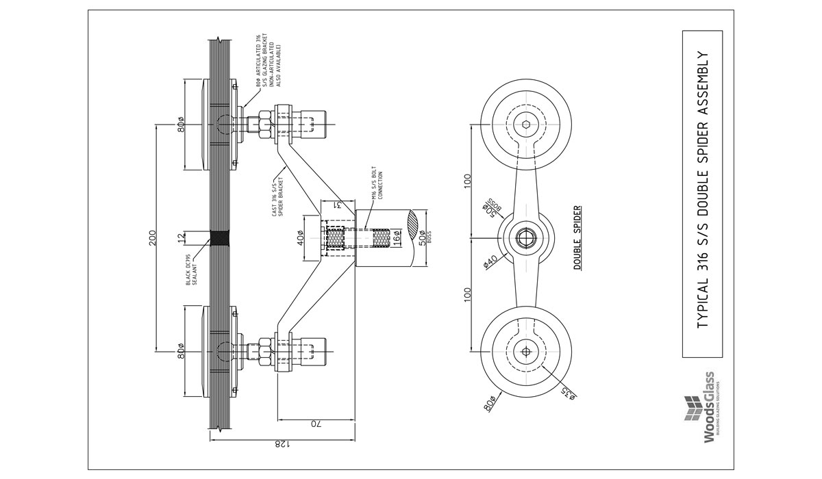
Two Arm Node Spider Assembly

Download files

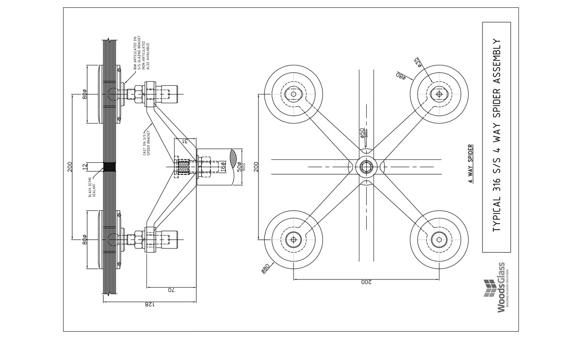
Four Arm Node Spider Assembly

Download files

Welded Boss Node Spider

Download files

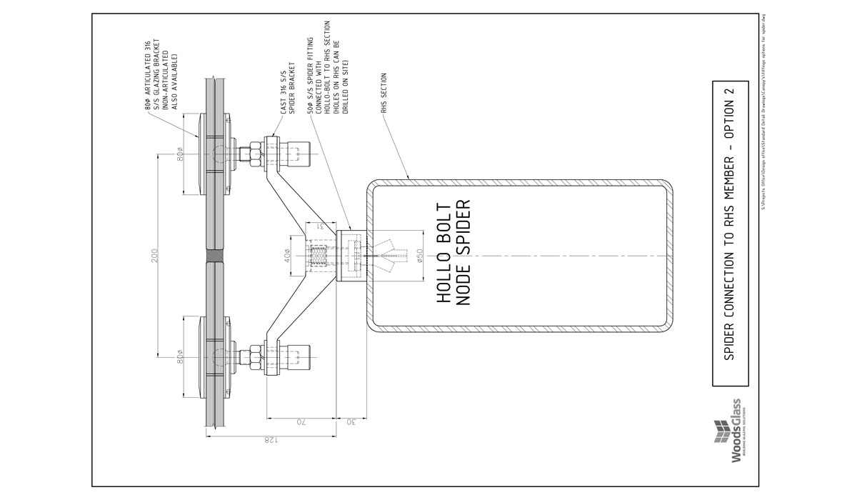
Hollo Bolt Node Spider

Download files

Stud Welded Node Spider

Download Files

Finishes

There are almost limitless possibilities with glass selection, performance, coloured, thickness and size range including multiple colour PVB laminate.

Relevant Projects

Press Building

Press Building

Christchurch

Baker Kavanagh / Weir Walker Architects

Ganellen Construction

2011

Jacobs Ladder - Lift Shaft

Jacobs Ladder - Lift Shaft

Auckland

Fletcher - Engineering

2012

Commercial Bay Podium

Commercial Bay Podium

Auckland

Warren and Mahoney Architects

Fletcher

2020